TDA7293 ශ්රව්ය බල සැපයුම් මාර්ගෝපදේශය
TDA72933 ඇම්ප්ලිෆයර් යනු ඉහළ විශ්මය ජනක ශ්රව්ය යෙදුම් සඳහා සූක්ෂම ලෙස නිර්මාණය කරන ලද ...
Oct 04
දර්ශන: 8946
CMOM තර්තන අයිසී පවුලේ කැපී පෙනෙන සාමාජිකයෙකු වන 74HC, එන්ඒඩී ගේට්ස් සිව්දෙනෙකු එක් පැකේජයක් එක් පැකේජයක් බවට පත් කරයි.මෙම වේගවත් හා කාර්යක්ෂමතාවයේ සම්මිශ්රණය, විද්යුත් ස්ථිතික විසර්ජන ආරක්ෂාව සඳහා LS-TTL බරක් සහ අභ්යන්තර ඩයෝඩ් කලම්පයක්, 74hc 54hc 54hc00 ඩිජිටල් පරිපථ සැලසුමක් ලෙස සලකයි.වැඩි දියුණු කළ ශබ්ද ප්රතිශක්තිය සහ කර්මාන්ත සම්මත සමානකම් කිහිපයක් සමඟ එහි ගැළපුම ඔබට අගය කළ හැකිය, නවෝත්පාදන හා ශක්තිමත් ඩිජිටල් පද්ධති නිර්මාණය කිරීමේදී එය මූලික ගලක් තබයි.

ඒ 74hc00එල්එස්-ටීටීඑල් පවුල සමඟ පෙළගැස්වීම සඳහා නන්දියේ ගේට්ස් සිව් දෙනෙකු ඇතුළත් වේ.
සිලිකන් ගේට්ටු CMOS තාක්ෂණය භාවිතා කරමින්, අඩු බලශක්ති පරිභෝජනය කෙරෙහි අවධානය යොමු කරන අතරම එය එල්එස්-ටීටීඑල් වෙත ආසීන් වන මෙහෙයුම් වේගය ලබා ගනී.මෙම ශේෂය මඟින් ඔබට වේගවත් හා කාර්යක්ෂමතාව, වගා කරන මෝස්තර යන දෙකම දක්ෂතාවයෙන් අනුනාද වේ.බෆර්ඩ් ගේට් ප්රතිදානය නිසා ශබ්ද ප්රතිශක්තිය වැඩි වේ, අභියෝගාත්මක සං signal ා පරිසරයන් තුළ පවා ස්ථාවර කාර්ය සාධනය සඳහා දායක වන සාධකයකි.
LS-TTL බර දස දෙනෙකු දක්වා ධාවනය කිරීමේ හැකියාව නිසා එය බොහෝ සං ale ා නිමැවුම් අපේක්ෂා කරන පද්ධති සඳහා සුදුසු වේ.
අභ්යන්තර ඩයෝඩ් කලම්පයකින් සමන්විතය, එය විද්යුත් ස්ථිතික විසර්ජනය හා සම්බන්ධ අවදානම් අවම කරයි.මෙම අංගය දිගුකාලීන විශ්වසනීයත්වය සෙවීමේ ප්රවීණ සමජාතීයතාවයේ දීප්තියේ දීර් ending ාචාර දැක්වීම සඳහා සිය භූමිකාව අවධාරණය කරයි.
ආදේශන සහ සමානකම්:
• Cd4011
• mc54hc00ajd
• Sn54ls00
• Sn74hct00dte4

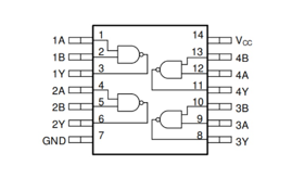
• 1, 2, 4, 5, 5, 10, 10, 13: දත්ත යෙදවුම්
චිපය තුළ ඇති නන්දියේ ගේට්ස් හි තාර්කික මෙහෙයුම් මෙහෙයවන ආදාන සං als ා ලබා ගැනීම සඳහා මෙම අල්ෙපෙනති.මෙම යෙදවුම් සහතික කිරීම, මැදිහත්වීමකින් නිදහස් වන අතර, පාලනය හා පුරෝකථනය කිරීමේ හැකියාව පිළිබිඹු කරයි.
• 3, 6, 8, 11: දත්ත ප්රතිදානය
ප්රතිදානයන් ලෙස ක්රියා කිරීම, මෙම අල්ස් නන්දියේ ගේට්ටු ගණනය කිරීම්වල ප්රති results ල ගෙන එයි.ඒවා විවිධාකාර ඩිජිටල් තර්කන ඉදිකිරීම්, සංකීර්ණ තර්කන රටා එකට රෙදි විවීම සඳහා යොදා ගත හැකිය.තනි ප්රතිදානයකට බහු පරිපථ සම්බන්ධ කළ විට, සංකීර්ණ සබඳතාවලට අවශ්ය සියුම් ශේෂයට අවශ්ය විභව පැටවීමේ බලපෑම් ඇති වේ.
• PIN 7: බිම් (GND)
වෝල්ටීයතා සඳහා ස්ථාවර යොමු ලක්ෂ්යයක් සැපයීම සඳහා මෙම PIN අංකය පද්ධති භූමියට සම්බන්ධ වේ.එවැනි ස්ථාවර සම්බන්ධතාවයක් ඇති කිරීම භූමියේ හා පැහැදිලිකම පිළිබඳ ස්වාභාවික ලුහුබැඳීම, බාධා අවම කිරීම.
• PIN 14: ධනාත්මක බල සැපයුම (VCC)
මෙම පින්නය හරහා නිවැරදි වෝල්ටීයතාව පෝෂණය කිරීම උපාංගයේ ක්රියාකාරිත්වයට සහාය වේ.නිශ්චිත පරාසය තුළ පවත්වාගෙන යන අතරම, පන්ටය අසල විසන්ධි කිරීම ධාරිත්රක ධාරිත්රක ස්ථානගත කිරීම ජීවිතයේ සංකීර්ණතා කළමනාකරණය කිරීම සඳහා මෙහෙයුම සැලකිය යුතු ලෙස ස්ථාවර කිරීම, මිරීමේ උපාය මාර්ග සැලකිය යුතු ලෙස ස්ථාවර කළ හැකිය.
74HC00
54 වන ස්වාධීන නාස් නොන්මාගේ ගේට්ස් හතරක් සමඟ සැලසුම් කර ඇත්තේ විදුලි කාර්යක්ෂමතාව කෙරෙහි අවධානය යොමු කරන, ඩිජිටල් පරිපථවල විශ්වාසදායක ක්රියාකාරිත්වය සමඟ ඔබ ආකර්ෂණය කර ගන්නා ස්වාධීන නිබ් ගේට්ස් සමඟ ය.එහි ආකර්ෂණීය ශබ්ද ප්රතිශක්තිය ස්ථාවර යෙදීම් සඳහා දායක වන අතර, බොහෝ දෙනාගේ අභිමතය පරිදි ව්යාපෘති සඳහා ප්රමුඛත්වය දීම සඳහා බොහෝ දෙනා අනුකූල වේ.ඩිප් සහ සොයික් ආකෘති වලින් ලබා ගත හැකි, එය විවිධ නිර්මාණ අවශ්යතා සපුරාලන අතර නම්යශීලී PCB පිරිසැලසුම් විකල්ප ලබා දෙයි.
74HC00
RENESAS
74HC00 ST SOP
In Stock: 6124 pcs
74hc00 හි අනුවර්තනය වීමේ හැකියාව පුළුල් පරාසයක තාර්කික ගේට්ටු වින්යාසයන් සහ සංකීර්ණ පද්ධති වලට ගැලපේ.ඔබට එහි ශක්තිමත් ආදානය / නිමැවුම් රියදුරු හැකියාව අගය කළ හැකිය, සංකීර්ණ ඩිජිටල් කාර්යයන් සැකසීම සඳහා එය ප්රයෝජනවත් වේ.
විවිධ තත්වයන් යටතේ ක්රියාත්මක වීමේ එහි හැකියාව 74HC00 54hc00 අධ්යාපනයේ හා මූලාකෘති සංවර්ධනය සඳහා ජනප්රිය කරයි.කාර්ය සාධනය කැප නොකර නවෝත්පාදන ගවේෂණය කිරීමට එය අනුබල දෙන පහසුව සහිත පහසුවකි.
ටෙක්සාස් උපකරණ විශ්වසනීය හා මූලික අර්ධ සන්නායක නිෂ්පාදන නිර්මාණය කිරීම සඳහා වූ කැපවීම සඳහා කීර්තියක් ලබා ඇත.කල්පැවැත්ම සහ උසස් ක්රියාකාරිත්වය කෙරෙහි ඔවුන්ගේ නොසැලෙන අවධානය, ටෙක්සාස් උපකරණවල සංරචක සමහර යෙදුම්වල හදවතේ ඇති අතර, ඉලෙක්ට්රොනික කර්මාන්තයේ effective ලදායී භූමිකාව පිළිබඳ හදවතේ තිබී ඇත.
8.65mm x 3.91mm x 1.58mm මැනීම, 74HC, සංයුක්ත පරිසරයන් සඳහා සකස් කර ඇති සිනිඳු මෝස්තරයක් පුරසාරම් දොඩයි.මෙම මානයන් විවිධාකාර පරිපථ පුවරු පිරිසැලසුම් වලට ඒකාබද්ධ කිරීම සරල කරන අතර, උපාංගයේ කැපී පෙනෙන හැකියාවන් සම්පාදනය නොකර සීමිත ඉඩ ප්රමාණයක් සෑදීමට ඔබට ඉඩ සලසයි.
2V සිට 6V දක්වා සැපයුම් වෝල්ටීයතා, බලශක්ති ප්රභවයන් තෝරා ගැනීමේදී අනුවර්තනය වීමේ හැකියාව සහ ඩිජිටල් පරිපථවල පුළුල් වර්ණාවලියක් සමඟ අනුකූලතාව සහතික කිරීම.මෙම වෝල්ටීයතා පරාසය බහුකාර්ය යෙදුම් සඳහා සහාය වන අතර,
74HC00
හි ඩයිනමික් පරිසරවල වෙනස්වන ඉල්ලීම්වලට අනුවර්තීව හැඩගැසීමට හැකි වේ.
74HC00
RENESAS
74HC00 ST SOP
In Stock: 6124 pcs
Effectively ලදායී ලෙස ක්රියාත්මක කිරීම -40 ° C සහ 85 ° C අතර, උපකරණය නිර්මාණය කර ඇත්තේ විවිධාකාර දේශගුණය සහ කාර්මික තත්ත්වයන් තුළ වර්ධනය වීම සඳහා ය.උෂ්ණත්ව අන්තයට එරෙහිව එහි ප්රතිරෝධය මඟින් පාරිභෝගික ඉලෙක්ට්රොනික උපකරණ සහ කාර්මික යෙදුම් සඳහා වඩාත් කැමති තේරීමක් වන අතර පාරිසරික විචල්යතාවය ලබා දී ඇත.
අධිවේගී තාර්කික කාර්යයන් සඳහා අවශ්ය කාර්යක්ෂමතාව සැකසීමේදී 74hc00 ක ව්යාංජරතන ප්රමාදයක් ලබා දීම.මෙම වේගවත් ක්රියාකාරිත්වය ඩිජිටල් සං signal ා පාලන ආයතන හා සන්නිවේදන පද්ධති වැනි යෙදුම් වේගවත් දත්ත හුවමාරුව අවශ්යතාවයකි.
මෙම උපාංගයට සංකීර්ණ ලොජික් මෝස්තර සඳහා සැලකිය යුතු ක්රියාකාරීත්වයක් ලබා දෙමින් එන්අයිඒටී තාප්රයික මෙහෙයුම් සඳහා දොරටු 4 ක් ඇතුළත් වේ.මෙම වින්යාසය තාර්කික මෙහෙයුම් කාර්යක්ෂමව ක්රියාත්මක කිරීමට, පද්ධති තුළ වේගවත් හා විශ්වාසදායක සැකසුම් සහතික කිරීම සහතික කිරීම.
තාර්කික ගේට්ටුවක් ලෙස ක්රියා කිරීම, 74hc00 ඩිජිටල් පරිපථ නිර්මාණයේ ප්රාථමික අංගයක් ලෙස සේවය කරයි.සංකීර්ණ ඩිජිටල් පද්ධති ඉදිකිරීම සඳහා ඔබට මෙම අංග භාවිතා කළ හැකිය, මේ අනුව පරිගණක බලය සහ ඉදිරියට යන සැකසුම් හැකියාවන් නව්ය මාර්ගවල වැඩි දියුණු කිරීම.
74HC00
වෙනම නන්දියක් ගේට්ස් හතරක් ඒකාබද්ධ කරයි, එක් එක් ප්රතිදානයකට පිවිසෙන යෙදවුම් දෙකකට.මෙහෙයුම රඳා පවතින්නේ සවිස්තරාත්මක සත්ය වගුවක් මත ය.විශේෂයෙන්, ප්රතිදානය අඩු මට්ටමක පහත වැටෙන්නේ යෙදවුම් දෙකම ඉහළ නම් පමණි.එසේ නොමැති නම්, ප්රතිදානය ඉහළ මට්ටමක පවතී. එය වඩාත් සංකීර්ණ පරිපථ නිර්මාණය කිරීමේ මූලික අංගයක් ලෙස ක්රියා කරයි.
74HC00
RENESAS
74HC00 ST SOP
In Stock: 6124 pcs
ධනාත්මක ප්රතිපෝෂණය මෙම දොරටු හරහා ඇති ස්ථායිතාවයට දැඩි ලෙස බලපායි.සෑම ගේට්ටුවක්ම එහි යෙදවුම් ක්රියාවට නංවන විට, ප්රතිපෝෂණය ස්ථාවර ප්රතිදාන තත්වයක් ශක්තිමත් කිරීම සඳහා ස්ථාවර කාර්ය සාධනයක් ඇති කරයි.ආදාන අගයන් සමඟ ගේට්ටුවේ ප්රතික්රියා සමග සමන්විතය.යැපෙන ආගන්තුක රාජ්යයන්ගෙන්, සහතික කළ පුරෝකථන තට්ටුවක් අනාවරණය කර ගැනීම සඳහා ඔබට මෙම අංගයට මෙම අංගයට තට්ටු කළ හැකිය.
Nandut ගේට්ස් තුළ ආදාන-ප්රතිදාන ගතිකතාවල ඇති සියුම් බව ග්රහණය කර ගැනීම විධිමත් ක්රික්සිං මෝස්තර සඳහා විභවය වැඩි දියුණු කරයි.පොදු යෙදුම් අතර මෙහෙයුම් සඳහා පෙරළීම සහ මෙහෙයුම් වැනි තර්කන කාර්යයන් ක්රියාත්මක කිරීම ඇතුළත් වේ.නව පාලන යාන්ත්රණයන් නවීන පරිගණක නාශක කම්හල් දක්වා සන්දර්භයන්ගේ වර්ණාවලියක් හරහා මෙම බහුකාර්යතාව ඔවුන්ගේ දරුකමට හදා ගැනීම අවධාරණය කරයි.
74HC 5 හි පුළුල් උපයෝගීතාව ගැන මෙනෙහි කරමින්, එහි විශ්වසනීය කාර්ය සාධනය පාරිභෝගික ඉලෙක්ට්රොනික උපකරණ කාර්මික ස්වයංක්රීයකරණයට විහිදෙන ක්ෂේත්රවල අදාළත්වයක් සොයා ගනී.විවිධ තාර්කික රාමුවල මෙම ගේට්ටු සකස් කිරීමේ බලය සැලකිය යුතු නිර්මාණාත්මක නිදහස, නවෝත්පාදනයන් දිරිමත් කරයි.NAND ගේට්ස් හි ප්රධාන මූලධර්ම අද්විතීය තාක්ෂණික බාධක සඳහා සකස් කරන ලද විසඳුම් දිරිගැන්වීය.
74HC00
යනු විශිෂ්ට නිරවද්යතාවයකින් නිර්මාණය කර ඇති චතුරස්රාකාර ද්වි-ආදාන නාන්ඩ් ගේට්ටුවක්.එය ප්රායෝගිකත්වයේ හා තාක්ෂණික නවීනත්වය සුහද සම්මිශ්රණයක් මූර්තිමත් කරයි.
74HC00
RENESAS
74HC00 ST SOP
In Stock: 6124 pcs
The පුළුල් වෝල්ටීයතා පරාසයක ක්රියාත්මක වේ
Pust ඉක්මන් ප්රචාරණ ප්රමාදය පෙන්වයි
Sp ory අධිවේගී හා අඩු බලශක්ති මෙහෙයුම් සඳහා සුදුසු ය
• වෝල්ටීයතාව සහ ධාරාව: මෙම සංරචක වෝල්ටීයතා මට්ටම්වල පළලක් මත, සැලසුම් අවශ්යතා වල විවිධත්වයක් ලබා දේ.
• උෂ්ණත්ව පරාසය: විවිධ උෂ්ණත්ව සැකසුම් හරහා විශ්වාසදායක ලෙස ක්රියා කරයි, විවිධ පාරිසරික තත්ත්වයන්ට අනුවර්තනය වීමේ හැකියාව ලබා දෙයි.
• සාමාන්ය භාවිතයන්: බහුකාර්ය සං component ටකයක්, එය සෛල සමග සෑම දිනකම කාර්යයන්වල සිට සංකීර්ණ යෙදුම් දක්වා වන කොටස් සපුරාලීම සඳහා එය සෛලීය කාර්යයන් ඉටු කිරීම සඳහා සිල්ලර බාලිකා කාර්යයන් ඉටු කිරීම, සෛලීය ඩිජිටල් පරිපථවල ස්ථානයක් සොයා ගනී.
Drivensions නිශ්චිත ක්රියාත්මක කිරීම්: පාරිභෝගික ඉලෙක්ට්රොනික උපකරණ සිට කාර්මික යාන්ත්රණයන් දක්වා, 74hc00 54HC, එක් එක් යෙදුමේ ඇති උපයෝගීතාව විදහා දක්වයි.
74HC00
චිපය කැපී පෙනෙන අනුවර්තනය වීමේ හැකියාව පෙන්නුම් කරයි, එහි පුළුල් ක්රියාකාරීත්වයේ පුළුල් වර්ණාවලියට ස්තුති වන විවිධාකාර විද්යුත් සන්දර්භයන් තුළ නිතර දක්නට ලැබේ.
74HC00
RENESAS
74HC00 ST SOP
In Stock: 6124 pcs
74hc00, පරිපථ හරහා බාධාවකින් තොරව සම්බන්ධතාවය අත්පත් කර ගනිමින් 74hc00 බෆරයක් හෝ රියදුරෙකු ලෙස පරිකල්පනය කරයි.වෝල්ටීයතා බිංදු අවම කිරීමෙන් සහ සං signal ා පිරිහීම සීමා කිරීමෙන් එය සංරචක අතර නිරන්තර සන්නිවේදනය ස්ථාපිත කරයි.ඉලෙක්ට්රොනික උපකරණවල, 74hc00 74hc00 වෙනුවට බෆරයක් ලෙස භාවිතා කළ හැකි අතර, ඩයි ව්යාපෘතිවල නිරන්තර ලක්ෂණයකි.
මෙම චිපය සංකීර්ණ පද්ධතිවල හරය සාදමින් නන්දියේ ගේට්ස් වැනි තාර්කික මෙහෙයුම් සක්රීය කරයි.විවිධ තාර්කික පරිපථවල එහි වෙහෙස මහන්සි නොබලා ඒකාබද්ධ කිරීම අවධාරණය කරන්නේ එහි භාවිතාව වැඩි කිරීමයි.ඩිජිටල් නිර්මාණයේ දී, නාසියානෙජිං ගේට්ස්, අඩු සංරචක සහිත නවීන තාර්කික පරිපථයක් ලබා ගැනීමට ඔබට බලය ලබා දෙයි.
කාවැද්දූ පද්ධති තුළ, 74hc00 54hc00 ට්රයිවර්ලයින් කාර්ය ක්රියාත්මක කිරීම ක්ෂුද්ර කෝකොන්ට්ලර් මුලපිරීම් තුළ කුණු කාවැද්දීම මගින්.
බොහෝ IOT උපාංග කොන්දේසි සහිත චෙක්පත් ක්රියාත්මක කිරීමට සහ පර්යන්ත උපාංග කළමනාකරණය කිරීම, පද්ධති ප්රතිචාරාත්මකභාවය සහ විශ්වසනීයත්වය ඉහළ නැංවීම සඳහා මෙම චිපය භාවිතා කරයි.
74hc00 පරිවර්තනයේ දී effective ලදායී කාර්යභාරයක් ඉටු කරයි, විවිධ පරිපථ අතර සං signal ා මට්ටම් සකස් කිරීම.මෙය විවිධාකාර වෝල්ටීයතා ශ්රේණිගත කිරීම් සහිත සංරචකවල සුමට අතුරුමුහුණත් සඳහා පහසුකම් සපයයි.5V මයික්රොකොන්ට්රෝලයක් 3.3V සංවේදකයකට සම්බන්ධ කිරීම, 74hc 54hc 54hc00 සමඟ මිශ්ර කළ මිශ්ර වෝල්ටීයතා තත්වයන් තුළ, බාධාවකින් තොරව බෙදීම් නොකෙරේ.
අනුක්රමික තාර්කික කාර්යයන්හි, ප්රමාණ පරිපථ සහ ස්පන්දන පරම්පරාව වැනි යෙදුම් වැඩි දියුණු කිරීම, කාලානුරූපී හා පාලන පරිපථවල චිපය තුළ ඇති විශේෂාංග ද ඇත.74hc00 74HC, 74hc00 සමඟ ශෝධනය කිරීමේ පරිපථ සමමුහු භචර සන්නිවේදන පද්ධති වැනි කාර්යයන් වැඩි දියුණු කරයි.
74hc00 ද්වි-සැසඳීම් සඳහා ඩිජිටල් සංසන්දකයෙකු ලෙස ක්රියා කරයි ඩිජිටල් රාමු තුළ තීරණ ගැනීමේදී තීරණ ගැනීමේදී වඩාත් සුදුසුය.එය ද්විමය රූප අතර සමානාත්මතාවය හෝ විචලනය විෂබීජ නිම කරයි.ද්විමය සංසන්දනය සඳහා 74hc00 සේවය කිරීම සඳහා විවිධ ඩිජිටල් ප්රොටොකෝලවල ශාඛා තීරණ ක්රියාත්මක කිරීම, ක්රියාකාරකම්වල පද්ධති ශක්තිමත් කිරීම සඳහා අතු තීරණ ක්රියාත්මක කිරීම කාර්යක්ෂම මාර්ගයක් සපයයි.
74HC00
, බල පරාසයක් තුළ 2.0V සිට 6.0V දක්වා ක්රියාත්මක වන ස්වාධීන 2-ආදාන නාන්ඩ් ගේට්ස් හතරක් ඇතුළත් වේ.ඩිජිටල් තර්කන පද්ධති සැපයීම, එයට තාර්කික මෙහෙයුම් සෑදීමට හැකි වන අතර එමඟින් සංකීර්ණ ඩිජිටල් ගෘහ නිර්මාණ මුළුමනින්ම සාදයි.
74HC00
RENESAS
74HC00 ST SOP
In Stock: 6124 pcs
74ls00 කින් සමන්විත වන්නේ ඉන්ඩට් දෙකකින් සහ ඒකීය ප්රතිදානයක් සමඟ නිර්මාණය කරන ලද නන්දියේ ගේට්ස් හතරේ එකක් වන අතර එය ඇතුළත් කර ඇත.ඩිජිටල් ඉලෙක්ට්රොනික්ස් හි ඒකක සංවර්ධනය කිරීමේදී මෙම වින්යාසය පොදු තේරීමකි.
ප්රධාන වෙනසක් වන්නේ ඔවුන්ගේ වෝල්ටීයතා අනුවර්තනය වීමේ හැකියාවයි.74HC00 2V 2V පරාසයක් තුළ ක්රියාත්මක වන අතර 74ls00 5V විදුලිබල සැපයුමකට සීමා වී ඇත.තෝරා ගැනීම බොහෝ විට යෙදුම් අවශ්යතා හා පාරිසරික සාධකවල වෙනස්කම් මත රඳා පවතී.
74HC 54 ශ්රේණි අධිවේගී CMOS ඒකාබද්ධ පරිපථවල දැක්වෙන්නේ, අඩු විදුලි පරිභෝජනය සමඟ ටීටීඑල් අනුකූල වේගය ලබා දෙන බවයි.74LS ශ්රේණියේ PIN පිරිසැලසුම් සමඟ ඔවුන්ගේ ගැළපුම පවතින පරිපථවල පහසුවෙන් ඒකාබද්ධ කිරීමක් හා ආදේශ කිරීම සඳහා ඉඩ ලබා දේ.
ඩිජිටල් පරිපථවල, 74hc00 යනු නාන්ඩ් ලෑන්ඩ් ලෙජික් ගේට්ටු සං signal ා ප්රතිනිර්මාණය සඳහා සහ සංකීර්ණ තර්කන ක්රියාමාර්ග ක්රියාත්මක කිරීම සඳහා නෝර්න්ජික් ගේට්ටු අවශ්ය තැනට උපකරණ වේ.එහි අනුවර්තනය වීමේ හැකියාව නිසා එය අධ්යාපනික සන්දර්භයන් සහ වෘත්තීය විද්යුත් ව්යාපාර සඳහා වටිනා සම්පතක් බවට පත් කරයි.
Oct 04
දර්ශන: 8946
Nov 11
දර්ශන: 6346
Apr 16
දර්ශන: 451
Apr 16
දර්ශන: 407
Apr 16
දර්ශන: 347
Apr 16
දර්ශන: 367
Apr 15
දර්ශන: 491
Apr 15
දර්ශන: 456